


上 面( 部品面 )

下面(半田面 )

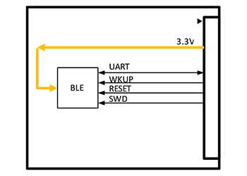
ブロック図
| Name | Function |
|---|---|
| A2 | TXD:UART送信 チップ抵抗の付け替えでD9に変更可 |
| A1 | RXD:UART受信 チップ抵抗の付け替えでD8に変更可 |
| D7 | WAKEUP:ウエイクアップ H:ウエイクアップ |
| RESET | RST:リセット |
| SWCLK | デバッグI/F クロック |
| SWDIO | デバッグI/F データ入出力 |
| 3V3 | 3.3V入力 |
| GND | GND |
技術資料は必要により更新をおこなっています。GitHub(*)内のドキュメントにリンクしている場合があります。GitHub内でドキュメントを閲覧、ダウンロードすることができます。GitHub内のドキュメントはトリリオンノード研究会が管理しています。
*: 開発者のためのプラットフォームです。開発のためのドキュメントの保管や共有ができるサイトです。
| 型 番 | 名 称 | 状 況 | |
|---|---|---|---|
| AP01 | AVR MCU | ● B-kit2 | |
| AP02 | ESP32 MCU | ● 32-kit2 | |
| AP03 | STM32 MCU | ● B-kit2 | |
| AP04 | STM32 MCU 2Bus | △ | |
| AC02 | BLE Sugar | ● B-kit2 | |
| AC03 | LoRa Easy | △ | |
| AZ01 | USB | ● B-kit2 | |
| AI01 | 4-Sensors | ● B-kit2 | |
| AI02 | SP & PIR | ● E-kit | |
| AI03 | MIC & VR & LED | ● E-kit | |
| AI04 | LCD | ● E-kit | |
| AIx1 | Motor | △ | |
| AZ02 | RTC & microSD | ● 32-kit2 | |
| AV01 | CR2032 | ● B-kit2 | |
| AV02 | CR2450 | △ | |
| AV03 | AA BAT | ● E-kit | |
| AV04 | 2V~4.5V | ● 32-kit2 | |
| AX06 | Grove & 5V | ● E-kit | |
| AX01 | Shield | ● E-kit | |
| AX02 | 29pin | ● B-kit2 | |
| AX08 | 29pin header | ● 32-kit2 | |
| AX05 | I Meas. | ● E-kit | |
| AX07 | Back to back | ● 32-kit2 | |
| AX04 | Spacer | △ | |
| AX03 | Leaf ×2 | ● | |
| AZ61 | Connector | ● | |
| AZ62 | Connector Cover | ● | |
| AZ63 | Nut Plate | ● | |
| AZ64 | Upper case | ● B-kit2 | |
| AZ65 | Lower case | ● B-kit2 | |
| 型 番 | 状 況 | |
|---|---|---|
| Basic Kit 2 | ● B-kit2 | |
| ESP32 Wi-Fi Kit 2 | ● 32-kit2 | |
| Extension Kit | ● E-kit | |
| Conector 1.0 | △ | |
| Nut Plate & Connector Cover 1.0 | △ | |
| B-kit2 | :Basic Kit2 |
| 32-kit2 | :ESP32 Wi-Fi Kit 2 |
| E-kit | :Extension Kit |